400L
400L
400LRrTrial
400L
400L
400LRrTrial

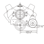
400L CHEV SMALL BLOCK SHORT PUMP LOWER POWER STEERING PUMP BRACKET

SKU 400L

This bracket is designed for the Chevrolet Saginaw non-metric power steering pump with the attached reservoir. Allows clearance for the alternator belt no matter where the alternator is mounted. These pumps were used on most Chevrolet applications with short and long water pumps until the early 1980's. Short water pump applications are normally driven off an add-on third crankshaft pulley. These pulleys are available from Chevrolet under Part Number 3751232 or from us.
Will Not Work With Chevelle use part# 600L

  • Fast shipping

  • Delivers in: 3-7 Working Days

Guaranteed Safe Checkout